We use cookies to ensure you get the best experience on our website. For more information on how we use cookies, please see our cookie policy.
By clicking "Accept", you agree to our use of cookies.
Learn more.





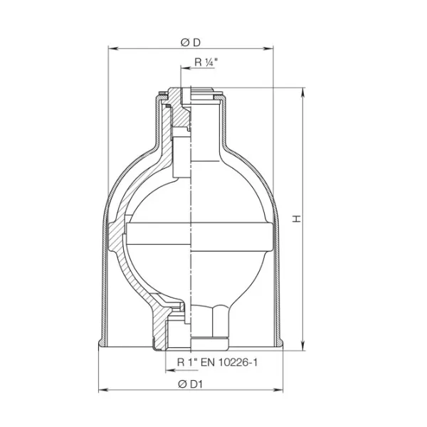
The HAWLE Air Release Valve 9876 is a single/double acting valve designed for efficient air expulsion and inflow control in pipelines. This model, part of the DN 1" and 2" range, features a PE shield for UV protection and a reinforced internal thread inlet with a stainless steel ring. It is designed with robust and reliable technology to prevent pipeline damages from vacuum or pressure shocks. The valve ensures optimum ventilation during filling and draining processes.
| DN | MOP (PN) | Working Pressure (bar) | Max. Air Release Capacity | Test Pressure (Body) | Weight (kg) |
|---|---|---|---|---|---|
| 1" | 6 | 0.1 - 6 | 0.13 m³/min | 24 bar | 0.90 |
| 1" | 16 | 0.8 - 16 | 0.13 m³/min | 24 bar | 0.90 |
| 2" | 6 | 0.1 - 6 | 3.2 m³/min | 24 bar | 2.90 |
| 2" | 16 | 1 - 16 | 3.2 m³/min | 24 bar | 3.40 |
Technical documents and specifications for this product.
n2_1 2_air valves_water_hawle_en_2024